ČETVEROŽIČNI PRETVORNIK OTPORA I TEMPERATURE
zadavač istosmjernog napona i termoelement
za potenciometar i otporni termometar Pt100
DVOŽIČNI PRETVORNIK OTPRORA I TEMPERATURE
za davač istosmjernog napona i termoelement
za potenciometar i otporni termometar Pt100
SIGNALIZATOR S JEDNOM ILI DVIJE GRANIČNE VRIJEDNOSTI

   

 

 

ČETVEROŽIČNI PRETVORNIK OTPORA I TEMPERATURE - pretvarači signala

(za davač istosmjernog napona i termoelement)

 

Karakteristike:

 

 

NAMJENA

           

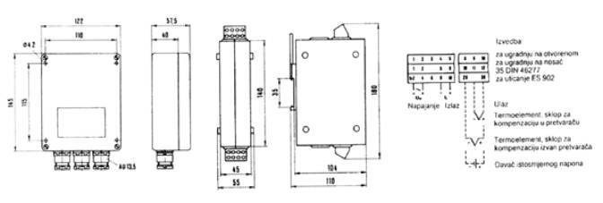
            Četverožični pretvarači imaju galvanski odvojen krug napajanja od signalnih vodova što znači da trebaju dvije žice za napajanje (220V, 110V, 24V, 50Hz ili 24V-) i dvije žice za izlazni signal 0 do 20mA ili 4 do 20mA.

 

 

NAČIN RADA

 

Pretvarači signala

Pretvarači signala su uređaji koji pretvaraju mjerni signal kojega daje naponski davač (termoelement ili drugi davač istosmjernog napona) u standardni strujni signal 0 do 20mA ili 4 do 20mA. U slučaju kada je davač termoelement može se koristiti sklop za kompenzaciju utjecaja temperature hladnog kraja termoelementa za referentnu temperaturu 20°C, ugrađen u pretvarač. Unutar deklariranih granica može se podesiti bilo koje mjerno područje, zatim pozitivno ili negativno potiskivanje početka mjernog područja, kao i padajuća ili rastuća karakteristika nadzora kod prekida naponskog davača. Podešavanje se vrši kod puštanja u pogon, a u tu svrhu potreban je odgovarajući davač napona, kao i mV-metar i mA-metar.

Ulaz i izlaz pretvarači signala galvanski su spojeni, a od mreže su galvanski razdvojeni i kod izmjeničnog i kod istosmjernog napajanja. Ako se želi galvansko odvajanje ulaza od izlaza dodaje se stupanj za galvansko odvajanje.

U pretvarači signala je ugrađena zaštita od naponskih trenzijenata na svim priključcima i zaštita od VF-smetnji. Proizvode se izvedbe pretvarača u plastičnim kućištima za ugradnju na otvorenome (IP55-DIN40050) i za ugradnju na nosač 35 DIN 46277 (IP00-priključci, IP20-kućište).

TEHNIČKI PODACI

 

 

Naponski davač

Termoelement ili drugi davač istosmjernog napona

Mjerni raspon

5 mV do 45mV

Početak mjernog područja

0 mV do +/- 75mV

Radni ulazni otpor

>25k Ohm/mV

Dozvoljeni otpor vodova i davača

Bez nadzora prekida davača:

<250 Ohm/5mV mjernog raspona

<1800 Ohm/45mV mjernog raspona

S nadzorom prekida davača:

>100 Ohm/5mV mjernog raspona

<720 Ohm/45mV mjernog raspona

Međuvrijednosti se linearno interpoliraju

Izlazni signal i petlja

0 do 20mA (4 do 20mA),

naponski linearan 0 do 700 Ohm

ograničenje -1mA, +40mA

Vremenska konstanta

T99</-250ms

Temperatura okoline

-10°C do +65°C

Napajanje i potrošnja

220V, 110V, 24V: +/-15%; 48 do 62 Hz; ca 4VA; 24V istosmjerno; +/-4V; ca 4W

Linearnost

< 0,2% raspona izlaznog signala

Utjecaj petlje

< 0,2% raspona izlaznog signala/700 O promjene

Utjecaj vodova

< 0,2% raspona izlaznog signala/20 O promjene (trožično)

Utjecaj temp. okoline

< 0,4% raspona izlaz signala/10K promjene

Utjecaj napajanja

< 0,2% raspona izlaz signala/15% promjene

Masa

cca. 0,5kg

ČETVEROŽIČNI PRETVORNIK OTPORA I TEMPERATURE

(za potenciometar i otporni termometar Pt100)

 

Karakteristike:

 

 

PRIMJENA

           

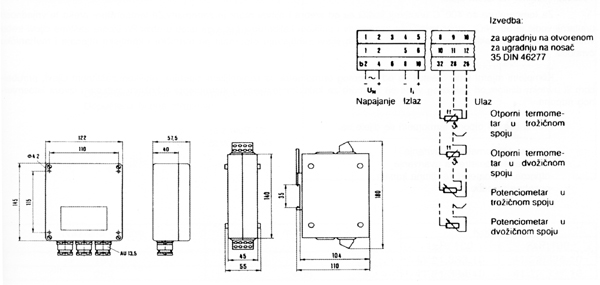
            Četverožični pretvarači signala imaju galvanski odvojen krug napajanja od signalnih vodova što znači da trebaju dvije žice za napajanje (220V, 110V, 24V, 50Hz ili 24V-) i dvije žice za izlazni signal 0 do 20mA ili 4 do 20mA.

 

 

NAČIN RADA

 

Pretvarači signala su uređaji koji pretvaraju mjerni signal kojega daje otporni davač (otporni termometar Pt100 ili potenciometar) u standardni strujni signal 0 do 20mA ili 4 do 20mA. Izlazni signal može biti linearno proporcionalan otporu ili temperaturi. Unutar deklariranih granica može se podesiti bilo koje mjerno područje. Podešavanje se vrši kod puštanja u pogon, a u tu svrhu potrebna su samo dva nadomjesna otpora koji odgovaraju početku i kraju željenog mjernog područja i odgovarajući mA-metar.

Otporni davač može se spojiti trožilnim kablom na pretvarač, što omogućuje kompenzaciju otpora dovoda od 100 Ohm, a justiranje linija nije potrebno. kod prekida otpornog davača izlazni signal raste iznad 20mA. pomoću dva otporna termometra Pt100 može se mjeriti temperaturna diferencija.

Ulaz i izlaz pretvarača mogu biti galvanski odvojeni, a od mreže su galvanski razdvojeni i kod izmjeničnog i kod istosmjernog napajanja.

U pretvarač je ugrađena zaštita od naponskih trenzijenata na svim priključcima i zaštita od VF-smetnji. Proizvode se izvedbe pretvarača u plastičnim kućištima za ugradnju na otvorenome (IP55-DIN40050) i za ugradnju na nosač 35 DIN 46277 (IP00-priključci, IP20-kućište).

 

 

 


 

TEHNIČKI PODACI

 

 

Otporni davač

Otporni termometar Pt100

Potenciometar

Karakteristika mjernog pretvarača

Temperaturno-linearna

Otporno linearna

Mjerni raspon

50K </- dt </- 500K

(25K </- dt </- 270K)

20 Ohm </- dR </- 220 Ohm

(10 Om</-dR</-120Om)

Početak mjernog područja

-200°C </-t</-350°C

(-200°C</-t</-215°C)

0 Om </- R </- 247,5 Om

0 Om </- R </- 200 Om

Struja kroz otporni davač

1mA do 6mA ovisno o mjer. rasponu

Justiranje vodova

U trožičnom spoju nije potrebno

Izlazni signal i petlja

0 do 20mA (4 do 20mA),

naponski linearan 0 do 700 Ohm

ograničenje -1mA, +40mA

Vremenska konstanta

T99</-250ms

Temperatura okoline

-10°C do +65°C

Napajanje i potrošnja

220V, 110V, 24V: +/-15%; 48 do 62 Hz; ca 4VA; 24V istosmjerno; +/-4V; ca 4W

Linearnost

< 0,2% raspona izlaznog signala

Utjecaj petlje

< 0,2% raspona izlaznog signala/700 O promjene

Utjecaj vodova

< 0,2% raspona izlaznog signala/20 O promjene (trožično)

Utjecaj temp. okoline

< 0,4% raspona izlaz.signala/10K promjene

Utjecaj napajanja

< 0,2% raspona izlaz.signala/15% promjene

Masa

cca. 0,5kg

DVOŽIČNI PRETVORNIK OTPRORA I TEMPERATURE

(za davač istosmjernog napona i termoelement)

 

Karakteristike:

TERMOELEMENT

mV DAVAČ ISTOSMJERNOG NAPONA

 

 

 

NAMJENA

           

            Dvožični pretvarač pretvara mjerni signal kojeg daje naponski davač (termoelement ili drugi davač istosmjernog napona) u standardni strujni signal 4 do 20mA. Uređaj se napaja iz posebnog izvora preko dvije žice po kojima teče i signalna struja (dvožični sistem 4 do 20mA).

            Izvedba pretvarača sa termoelementom ima ugrađen sklop sa Pt100, otpornikom za kompenzaciju utjecaja temperature hladnog kraja termoelementa za referentnu temeperaturu 20°C.

 

 

IZVEDBA

 

Uređaj se proizvodi u dvije izvedbe:

-         u plastičnom kućištu za montažu na nosač 35 DIN 46277

(IP00-priključnice, IP20-plastično kućište)

-         u plastičnom kućištu za montažu na otvorenome (IP55 DIN 40050)

 

 


 

TEHNIČKI PODACI

 

 

Naponski davač

Termoelement ili drugi davač istosmjernog napona

Mjerni raspon

4 do 100mA

Početak mjernog područja

-20 do 60 mV

Ulazni otpor

</-25 kOhm/mV

Ulazna struja

>/-40nA

Karakteristika pretvarača

nponski-linearna

Vremenska konstanta

</-250ms

Izlazni signal

4 do 20mA

Ograničenje izlaznog signala

ca 25mA

Napajanje

12 do 40V-(12 do 30V- kod Exi izvedbe)

Opterećenje

Rizl=(Un-12V)/20mA     (Un-napon napajanja)

Temperatura okoline

-10°C do +65°C

Linearnost

< 0,2% raspona izlaznog signala

Utjecaj temp. okoline

< 0,2% raspona izlaz.signala/10K promjene

Utjecaj napajanja

< 0,2% raspona izlaz.signala/12 do 40V promjene

Utjecaj opterećenja

isti efekt kao kod promjene napajanja

Masa

cca. 0,6kg

TEHNIČKI PODACI

 

 

MJERNO PODRUČJE

-         Mjerni raspon

-         Početak mjernog područja

 

 

Kontin. podesivi (vidi pod. za narudžbu)

Potiskivanje ili izdizanje do 500% mjernog područja

IZLAZNI SIGNAL

4 do 20mA

NAPAJANJE

12 do 35V-(12 do 30V-u Exi krugovima)

OPTEREÆENJE

0 do Rmax,                          Rmax=(U-12)/20mA

U = napon napajanja

TEMPERATURA OKOLINE

-40°C do +105°C za ćeliju

-30°C do +70°C za pojačalo

TOČNOST MJERENJA

+/- 0,2% podešenog mjernog područja

LINEARNOST

+/- 0,1% podešenog mjernog područja

STABILNOST

+/- 0,2% podešenog mjernog područja za 6 mjeseci

HISTEREZA I PONOVLJIVOST

0,05% podešenog mjernog područja

PRIGUŠENJE IZLAZNOG SIGNALA

Kontinuirano podesivo između 0,2 i 1,7 sekunde

UTJECAJ STATIČKOG TLAKA

Za nulu: +/- 0,25% za 140 bar, na mjerno područje: -1 +/- 0,25 za 140 bar (sistemska greška – može se uzeti u obzir pri podešavanju)

UTJECAJ TEMPERATURE OKOLINE

Pri max. mjern. rasponu +/- 0,2%/10K

Pri min. mjern. rasponu +/-0,2%/10K

Za ćeliju M3 greške su dvostruko veće

UTJECAJ VIBRACIJE

+/- 0,05% gornje granice raspona za svaki g do 200Hz u bilo kojoj osi

DOZVOLJENO JEDNOSTRANO PREOPTEREÆENJE

Za ćeliju M3 do 140 bar, za ćeliju M4, M5, M6, M7 i M8 do 140 bar ili 310 bar za ćeliju M0 do 520 bar

MATERIJAL U DOTICAJU S MEDIJEM

Æelija: nehrđajući čelik (Č.4573)

Prirubnice i adapteri: nehrđajući čelik (Č.4573)

Brtva: Viton

MASA

cca. 6kg

ZAŠTITA

IP 56 prema DIN 40050.

DVOŽIČNI PRETVORNIK OTPRORA I TEMPERATURE

(za potenciometar i otporni termometar Pt100)

 

Karakteristike:

OTPORNI TERMOELEMENT Pt100,

OTPORNI DAVAČ (POTENCIOMETAR)

 

 

 

NAMJENA

           

            Dvožični pretvarač pretvara mjerni signal kojeg daje ptporni davač (otporni termometar Pt100, potenciometar) u standardni strujni signal 4 do 20mA. Uređaj se napaja iz posebnog izvora preko dvije žice po kojima teče i signalna struja (dvožični sistem 4 do 20mA).

            Pri upotrebi otpornog termometra izvršena je linearizacija nelinearne karakteristike Pt100 tako da je izlazni signal proporcionalan temperaturi. U slučaju prekida senzora izlazni signal poraste iznad 10mA.

 

 

IZVEDBA

 

Uređaj se proizvodi u dvije izvedbe:

-         u plastičnom kućištu za montažu na nosač 35 DIN 46277

(IP00-priključnice, IP20-plastično kućište)

-         u plastičnom kućištu za montažu na otvorenome (IP55 DIN 40050)

 

 


 

TEHNIČKI PODACI

 

 

Otporni davač

Otporni termometar Pt100

Potenciometar

Karakteristika mjernog pretvarača

Temperaturno-linearna

Otporno linearna

Mjerni raspon

dR=10 do 300O=25 do 800K

dR=10 do 1000 Ohm

Početak mjernog područja

10 di 280O =-200 do 500°C

0 do 50 Ohm

Struja kroz otporni davač

</-2mA

Justiranje vodova

U trožičnom spoju nije potrebno

Izlazni signal

4 do 20mA

Ograničenje izlaznog signala

cca 25mA

Napajanje

12 do 40V-(12 do 30V- kod Exi izvedbe)

Opterećenje

Rizl=(Un-12V)/20mA     (Un-napon napajanja)

Temperatura okoline

-10°C do +65°C

Linearnost

< 0,2% raspona izlaznog signala

Utjecaj vodova

< 0,2% raspona izlaznog signala/20 O promjene (trožično)

Utjecaj temp. okoline

< 0,2% raspona izlaz.signala/10K promjene

Utjecaj napajanja

< 0,2% raspona izlaz.signala/12 do 40V promjene

Masa

cca. 0,5kg

SIGNALIZATOR S JEDNOM ILI DVIJE GRANIČNE VRIJEDNOSTI

 

Karakteristike:

 

 

PRIMJENA

           

            Signalizator se koristi za nadzor podešene granične vrijednosti mjerne veličine pretvorene u standardni strujni (0/4...20mA) ili naponski (0...10V) signal. Najčešće se primjenjuje za signalizaciju maksimuma ili minimuma (uključivanje alarmnih uređaja) odnosno blokadu (isključivanje pumpe, gorionika, zatvaranje izvršnog organa i sl.).

            Signalizator se primjenjuje u mjernim krugovima protoka, tlaka, razine, temperature, analiza gdje se uključuje u strujnu petlju standardnog mjernog signala 0 ili 4 do 20mA, samostalno ili u seriju s drugim uređajem (pokazni instrument, regulator ili pisač).

            Za signalizaciju granične vrijednosti temperature može se koristiti verzija s direktnim priključkom otpornog termometra Pt100 (nije potreban pretvornik temperature).

            Kod prekoračenja podešenog minimuma i/ili maksimuma, crvenom LED diodom i otpuštanjem releja dojavljuje se alarm. U slučaju nestanka napajanja gasi se zelena LED dioda i otpušta relej, što također izaziva alarm.

            Signalizatori se isporučuju u tri različita kućišta, u plastičnom kućištu za montažu na nosač 35mm DIN 46 277 za montažu u kabini, u metalnom kućištu 72x72mm za ugradnju na prednju ploču pulta i kao utična kartica širine 2 SEP za sistem ES 902. Izvedba za montažu na šine i ES 902 mogu imati dva galvanski odvojena ulaza i koriste se za nadzor jedne granične vrijednosti na svakom ili za nadzor i minimuma i maksimuma na samo jednom ulazu.

            Svaki mjerni ulaz je galvanski odvojen od alarmnog ulaza i napajanja. Kod izvedbe za ugradnju u pult mogu se pričvrsni elementi montirati na sve četiri strane kućišta. Na taj način može se nekoliko uređaja ugraditi u zajednički otvor na pultu bez pregrade.

 

NAČIN RADA

 

Granične vrijednosti podešavaju se kodir preklopkom na prednjoj ploči uređaja i to u granicama od 0 do 99% ulazne vrijednosti. Izbor funkcije nadzora (minimum ili maksimum) vrši se kodir preklopkom, odnosno pomoću dva kratkospojnika za ES 902 izvedbu. Moguće je podešavati i histerzu, kako ne bi došlo do osciliranja u blizini graničnih vrijednosti. Signalizator za nadzor temperature omogućuje direktno priključenje Pt100 otpornog termometra.


 

TEHNIČKI PODACI

 

 

Ulaz

Strujni, naponski ili Pt100

Granične vrijednosti

0...99%

Ulazni otpor

0...20mA

4...20mA

0...10mA

 

6.2 Ohm

<6.2 Ohm

10 kOhm

Izlaz

dozvoljena snaga preklapanja

dozvoljeni napon preklapanja

dozvoljena struja preklapanja

preklopni kontakt bez potencijala

max. 50W

max. 250W

max. 5A

Napon napajanja

AC 48...62 Hz, 220, 110 ili 24 V +/- 15%

DC 24 V (18...30V)

Potrošnja

5VA (5W kod 24V DC)

Dozvoljena valovitost napajanja 24V DC

10%

Ispitni napon

2,5 kV

Servisni vijek releja

106 preklapanja

Histereza preklapanja

Podešena na 3% opsega signala (podesiva između 1 i 5%)

Utjecaj promjene napona napajanja od 10%

0,2 % opsega signala

Utjecaj temperature

0,3 % za 10°C

Utjecaj otpora linija za Pt100 u trožičnom spoju

1 % za 100 Ohm otpora linija

Dozvoljena temperatura okoline

-10 do 55°C

Masa

cca. 0,5 kg


 

 

 

PODACI ZA NARUDŽBU

 

SIGNALIZATOR S JEDNOM ILI DVIJE GRANIČNE VRIJEDNOSTI

 

 

OPREMLJENOST

 

 

 

 

 

 

 

 

1 max.

1 min.

1 max.+ 1 min.

 

1

2

3

 

 

 

 

 

 

 

 

 

 

 

 

 

 

 

KUÆIŠTE

 

 

 

 

 

 

 

 

144x72

72x144 područja > 1mA

 

 

1

2

 

 

 

 

 

 

 

 

 

 

 

 

 

 

DAVAČ

MJERNO PODRUČJE

Termoelement

20 do 250 °C

Fe-CuNi (mV)

20 do 400 °C

20 do 600 °C

20 do 900 °C

Termoelement

20 do 600 °C

Ni-Cr-Ni (mV)

20 do 900 °C

20 do 1200 °C

Termoelement

20 do 1200 °C

Pt Rh-Pt (mV)

20 do 1600 °C

NAPON (mV)

prema zahtjevu

-220 do +50 °C

-100 do +50 °C

-30 do +60 °C

0   do +60 °C

0 do +100 °C

Otporni

0 do +100 °C

termometar

+50 do +150 °C

Pt100

0 do +200 °C

0 do +300 °C

0 do +400 °C

0 do +550 °C

+200 do +400 °C

+300 do +500 °C

prema zahtjevu

Mjerni

0   do 1 mA

pretvarač (mA)

0   do 5 mA

0 do 10 mA

0 do 20 mA

4 do 20 mA

Potenc. davač Ohm

0  do     100        

BOJA OKVIRA

NAPAJANJE

220 V~

crna

110 V~

24 V~

24 V~

220 V~

siva

110 V~

24 V~

 

 

 

 

 

 

 

 

 

 

 

1

1

0

1

 

 

 

 

1

1

0

2

 

 

 

 

1

2

0

3

 

 

 

 

1

2

0

4

 

 

 

 

1

2

0

5

 

 

 

 

1

2

0

6

 

 

 

 

1

2

0

7

 

 

 

 

1

1

0

8

 

 

 

 

1

1

0

9

 

 

 

 

1

0

0

0

 

 

 

 

3

5

2

1

 

 

 

 

3

5

2

2

 

 

 

 

3

4

2

3

 

 

 

 

3

4

2

4

 

 

 

 

3

4

2

5

 

 

 

 

3

5

2

6

 

 

 

 

3

4

2

7

 

 

 

 

3

5

2

8

 

 

 

 

3

6

2

9

 

 

 

 

3

6

3

0

 

 

 

 

3

6

3

1

 

 

 

 

3

4

3

2

 

 

 

 

3

4

3

3

 

 

 

 

3

0

0

0

 

 

 

 

2

3

1

1

 

 

 

 

2

3

1

2

 

 

 

 

2

3

1

3

 

 

 

 

2

3

1

4

 

 

 

 

2

3

1

5

 

 

 

 

4

7

4

1

 

 

 

 

 

 

 

 

 

 

 

 

 

 

 

 

1

 

 

 

 

 

 

 

2

 

 

 

 

 

 

 

3

 

 

 

 

 

 

 

4

 

 

 

 

 

 

 

5

 

 

 

 

 

 

 

6

 

 

 

 

 

 

 

7